Rudder Pintle 2 Hole
$35.21
(18801B)
This pintle can be attached to the back of your boat for your rudder's gudgeon to be fitted on to.
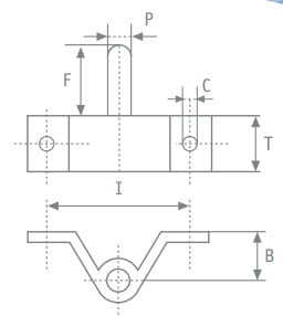
Specifications (refer to diagram)
I = 60mm
P= 10mm
C = 6mm
T = 25mm
B = 21mm
F = 35mm